Electronic Temperature Sensor (Switch) TS500
Principle structure
The TS500 uses high-precision platinum resistance for temperature measurement, and the signal is processed by the rear processing circuit and converted into a standard industrial electrical signal output and display. The metal housing design, with a high-light LED digital display, makes this series of products can be used in a variety of industrial applications. The three-but- ton design and menu make the product easier to use. A variety of connection methods can fully meet a variety of specific installation needs. The display head, which can be rotated at 330°, guarantees the best viewing Angle in
Technical parameters
- Measuring range: -200... 400 °C
- Supply voltage: 12... 30VDC
- No-load current consumption: ≤30mA, 24VDC
- Switch output:
Output type: PNP/NPN can be switched, normally open/normally closed can be set, Switching load: <200mA/24VDC - Response time: 0.01~2s (factory default)
- Measurement accuracy: ±1.0°C
- Current type analog output: ≤±0.5% range
Output type: 4... 20mA can be configured
Load RA: ≤500Ω
Linearity: ≤0.5% range - Communication output: IO-Link/RS485
- Wiring protection: reverse phase, overload, short circuit protection
- Display:
Design: Red 4-bit 12mm high brightness LED
Display range: -1999... 9999 - Stability (annual drift) : ≤±0.5°C
- Temperature:
Medium temperature: -20... 100°C (conventional type);
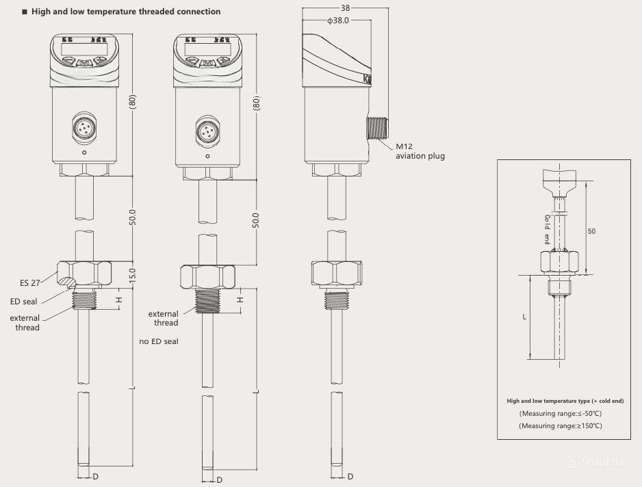
- 200... 400°C (high and low temperature type)
Ambient temperature: -20... 80°C
Storage temperature: -30... 80°C - Material:
Watch head housing: engineering plastic
Flame retardant class: UL-94 V-0
Housing: stainless steel 304
Medium contact part: stainless steel 304 - Protection grade: IP67
- Outlet: M12x1 connector
Wiring diagram
| Two way switch / IO-Link / Frequency + one way analog | ||||||||
|---|---|---|---|---|---|---|---|---|
| Color | Stitch | Instructions | Color | Stitch | Instructions | Color | Stitch | Instructions |
| BN | 1 | Power supply (+) | BU | 3 | Power supply (−) | GY | 5(OUT3) | 4-20mA(Factory default) 1-5V 0-10V |
| BK | 4 (OUT1) |
SP1 switch PNP (Factory default) SP1 switch NPN IO-Link Frequency (full scale 100Hz) |
WH | 2 (OUT2) |
SP2 switch PNP (Factory default) SP2 switch NPN |
|||
| Two-way switch / Frequency | |||||
|---|---|---|---|---|---|
| Color | Stitch | Instructions | Color | Stitch | Instructions |
| BN | 1 | Power supply (+) | BU | 3 | Power supply (−) |
| BK | 4 (OUT1) |
SP1 switch PNP (Factory default) SP1 switch NPN Frequency (full scale 100Hz) |
WH | 2 (OUT2) |
SP2 switch PNP (Factory default) SP2 switch NPN |
| One switch / IO-Link / Frequency + analog | |||||
|---|---|---|---|---|---|
| Color | Stitch | Instructions | Color | Stitch | Instructions |
| BN | 1 | Power supply (+) | BU | 3 | Power supply (−) |
| BK | 4 (OUT1) |
SP1 switch PNP (Factory default) SP1 switch NPN IO-Link Frequency (full scale 100Hz) |
WH | 2 (OUT2) |
4–20mA (Factory default) 1–5V 0–10V |
| RS485 | |||||
|---|---|---|---|---|---|
| Color | Stitch | Instructions | Color | Stitch | Instructions |
| BN | 1 | Power supply (+) | BU | 3 | Power supply (−) |
| BK | 4 (OUT1) | RS485(B) | WH | 2 (OUT2) | RS485(A) |
| TS500- | C2080 | S2 | G14M | L025 | D6 | expatiate |
|---|---|---|---|---|---|---|
| TS500 | TS500 electronic temperature switch | |||||
| C2080 | Range: -20... 80°C | |||||
| C0100 | Range: 0... 100°C | |||||
| C50200 | Range: -50... 200°C high and low temperature type | |||||
| C50400 | Range: -50... 400°C high and low temperature type | |||||
| C100100 | Range: -100... 100°C high and low temperature type | |||||
| C200100 | Range: -200... 100°C high and low temperature type If the temperature is too low or too high, add a cold end (Refer to size drawing) |
|||||
| S2 | Output signal: Two switch output/frequency (4-core cable) | |||||
| SA | Output signal: One switch output /IO-link/ frequency + analog output (4-core cable) | |||||
| A3 | Output signal: Two switch output /IO-link/ frequency + analog output (5-core cable) | |||||
| RS | Output signal: RS485 communication (4-core cable) | |||||
| G14M | Process connection: G1/4 external thread | |||||
| G12M | Process connection: G1/2 external thread | |||||
| M20M | Process connection: M20*1.5 external thread | |||||
| N14M | Process connection: NPT1/4 external thread | |||||
| R14M | Process connection: R1/4 external thread | |||||
| R12M | Process connection: R1/2 external thread | |||||
| K50 | Process connection: Sanitary chuck connection 50.5mm OD | |||||
| L025 | Rod length: L=mm (example: 025 represents rod length including thread 25mm) | |||||
| D6 | Rod diameter: 6mm | |||||
| D8 | Rod diameter: 8mm | |||||
|
||||||
Optional accessories - electrical accessories
| TM- | 10 | G12K | G14M | - | detail |
|---|---|---|---|---|---|
| TM | Temperature protective sleeve | ||||
| 10 | Rod diameter: 10mm | ||||
| 12 | Rod diameter: 12mm | ||||
| G14K | G1/4 internal thread | ||||
| G12K | G1/2 internal thread | ||||
| G14M | G1/4 external thread | ||||
| G12M | G1/2 external thread | ||||
| M27M | M27*2 external thread | ||||
| F25 | National standard flange: DN25 | ||||
| - | Total length of sleeve: The length can be customized | ||||
| 50 | Total length of protective sleeve: 50mm | ||||
| 100 | Total length of protective sleeve: 100mm | ||||
| 250 | Total length of protective sleeve: 250mm | ||||
| * The probe rod with diameter φ6mm shall be equipped with protective sleeve with diameter φ10mm; Diameter φ8mm probe rod needs to be equipped with outer diameter φ12mm protective sleeve. | |||||