MW ITRACK

Level sensors

Electronic Tuning Fork Level Switch LS250

Principles characteristics

LS200 tuning fork level limit switch is a universal level limit switch. Inspired by piezoelectric crystal a tuning fork produces an oscillation, when the tuning fork is liquid or solid immersion vibration frequency change, change the frequency by the electronic circuit electric parameters detected from the media and the turbulent, agitation, bubble, vibration, the influence of such factors as no moving parts, so no maintenance amount adjustment, is a complex mixed material level switch under the condition of ideal choice.

Dimension Image 2
  • No moving parts
  • independent of the density of media and electrical parameters
  • stainless steel liquid contact parts
  • Ac/DC power supply is optional
  • Relay output
  • can be used for solid or liquid measurement
  • two electronic heads available (compact/rugged)

Product application

Hydraulic/lubrication/pump protection/cooling system /pulp water treatment/food and beverage

Size chart (mm)

Dimension Image 2 Dimension Image 2 Dimension Image 2

Technical parameters

  • Measured medium: Liquid or solid particles
  • Measured density: ≥0.6g/cm 3
  • Pressure resistance: 20bar
    Adjustable delay: 1... 20s(sturdiness only)
    Response time: 1 second
  • DC power supply type: 24±10%Vdc
  • AC power supply type: 110Vac or 220Vac
  • Power consumption: ≤1W
  • Switch output
    Output type: Relay (normally open and normally closed setting)
    Load capacity: AC220V (110V)/3A,DC
    Wiring protection: Reverse phase
  • Temperature
    Operating temperature: -20... 80 °C
    Medium temperature: -40... 150 °C
  • Materials
    Compact housing: Stainless steel 304
    Sturdy housing: Molded cast aluminum
    Fork body: Stainless steel 316
  • Protection grade: IP65
  • outbound mode
    Compact housing: Terminal wiring
    Sturdy housing: Solenoid valve plug

Size chart (mm)

Dimension Image 2 Dimension Image 2 Dimension Image 2

Selection table

LS200- DC G1M S P Detailed
LS200 LS210 Electronic tuning fork level switch
DC Power supply : 24VDC direct power supply
G12M G1/2 External thread
G34M Process connection: G3/4 external thread
G1M Process connection: G1 external thread
R1M Process connection: R1 external thread
K Process connection : Health chuck 50.5
P PNP
N NPN
C relay
S Standard tuning fork
- Customized length
Dimension Image 2 Dimension Image 2

Capacitive Liquid Level Switch LS280

Dimension Image 2

Product features

Intelligent frequency sweep technology is used to detect point and object position

  • Reliable detection of various media
  • Support various process connections
  • Suitable for health industry and industri- al applications
  • Medium temperature -20~80°C

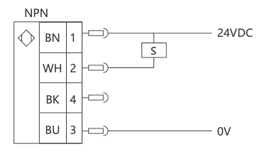
Wiring diagram

Dimension Image 2

Technical parameters

  • Measurement principle: liquid level switch (frequency scanning)
  • Medium characteristics: DC > 1.5
  • Lag: ±1mm
  • Repeat accuracy: ±1mm
  • Response time: 0.1s, TYP. 0.2 s, Max.
  • Damping time: 0... 10s, adjustable
  • Liquid receiving parts material: PEEK Natura 316 l (1.4404)
  • Surface roughness of the receiving parts: Ra ≤ 0.8 μm
  • Output type: PNP/NPN
  • Switch logic: NORMALLY closed (NC)/ normally open (NO)
  • EMC Electromagnetic radiation: EN 61326, installed in a sealed metal canister
  • EMC Electromagnetic immunity: EN 61326, installed in an airtight metal can
Dimension Image 2

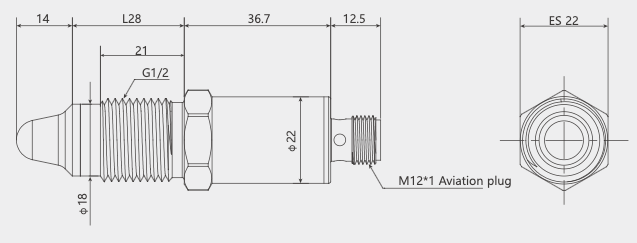
Size chart(mm)

Standard type

Dimension Image 2

Lengthen type

Dimension Image 2

Cooling model

Dimension Image 2

Selection table

LS280- L030 M - - - - expatiate
LS280 L030 LS280 capacitive level switch
L030 Probe length: 30mm
L035 Probe length: 35mm
L050 Probe length: 50mm
L100 Probe length: 100mm
L250 Probe length: 250mm
LXX Probe length: Customizable
M M12 aviation plug-in
Z Direct outlet (1,2) (1M,2M)
- PNP output
-N NPN output
- Normally close (NC)
C Normally close (NC)
- Normal form
ED ED seal
- Standard type: Medium temperature -20...80°C
T Heat dissipation type: Medium temperature -40...130°C
Dimension Image 2 Dimension Image 2